Переливной бассейн на террасе

Частные дома, SPA, гостиницы

Бассейны для частных домов, SPA и гостиниц в Краснодаре

Проектируем, строим и модернизируем бассейны под частные резиденции, гостиницы и SPA-пространства. Берём на себя геометрию чаши, инженерию, облицовку, запуск и дальнейший сервис.

Инженерия, архитектура, сервис Каждый объект собираем как единую систему: от концепции и сметы до запуска воды и регламента обслуживания.
14+лет в частных и коммерческих проектах
96реализованных чаш и реконструкций
1команда на весь цикл без субподрядной мешанины

Визуальный подход

Больше внимания материалам, воде, свету и окружению

Терраса с панорамной чашей Терраса с панорамной чашей
Частный объект с архитектурным бортом Частный объект с архитектурным бортом
Бассейн с песочной отделкой Бассейн с песочной отделкой
Вечерний сценарий освещения Вечерний сценарий освещения
Ландшафт вокруг чаши Ландшафт вокруг чаши

Сильные стороны

Почему заказчики идут к нам на полный цикл

Проектируем с инженерным запасом

Считаем не только чашу, но и гидравлику, доступ к сервису, сезонную эксплуатацию и будущие сценарии модернизации.

Собираем понятную смету

Показываем, из чего складывается бюджет, где есть запас по качеству, а где лучше не экономить.

Держим фокус на сроках

Каждый этап разбит на понятные контрольные точки: земляные работы, бетон, инженерия, облицовка, запуск.

Не строим ради галочки

Подбираем решение под задачу участка, сценарий отдыха, будущую нагрузку и режим обслуживания.

Процесс

Как собираем объект без хаоса

01

Бриф и экспресс-оценка

Уточняем тип объекта, желаемую геометрию, сроки, доступ к техпомещению и ограничения по участку.

02

Предпроектное решение

Формируем концепцию: материал чаши, тип перелива, узлы оборудования, ступени, подсветка и зона обхода.

03

Реализация по этапам

Ведём стройку от разметки до пусконаладки, фиксируя каждый блок работ в графике.

04

Запуск и сопровождение

Передаём инструкции по эксплуатации, сезонной консервации и регламенту сервисных осмотров.

Калькулятор проекта

Прикиньте бюджет без разговора с менеджером

Шаг 1 из 7

Портфолио

Проекты с разной архитектурой, бюджетом и логистикой

Переливная чаша на кровле клубного дома

Краснодар

Переливная чаша на кровле клубного дома

Проект с ограниченным доступом техники и усиленным вниманием к весовым нагрузкам, сервисному доступу и шуму оборудования.

Смотреть кейс
Infinity-бассейн на террасе с видом на склон

Сочи

Infinity-бассейн на террасе с видом на склон

Частная вилла с ярко выраженным перепадом высот и запросом на спокойную премиальную архитектуру воды.

Смотреть кейс
Семейный скиммерный бассейн у загородного дома

Адыгея

Семейный скиммерный бассейн у загородного дома

Рациональный частный объект с акцентом на комфорт детей, быстрый сервис и адекватный сезонный бюджет.

Смотреть кейс

Статьи

Практические материалы по выбору, стройке и эксплуатации

Как выбрать тип бассейна для участка: бетон, композит или готовая чаша

7 минут

Как выбрать тип бассейна для участка: бетон, композит или готовая чаша

Разбираем не рекламные обещания, а реальные критерии выбора: геометрия, сроки, логистика, сервис и стоимость сезона.

Читать статью
Ошибки при проектировании бассейна, которые потом дорого исправлять

6 минут

Ошибки при проектировании бассейна, которые потом дорого исправлять

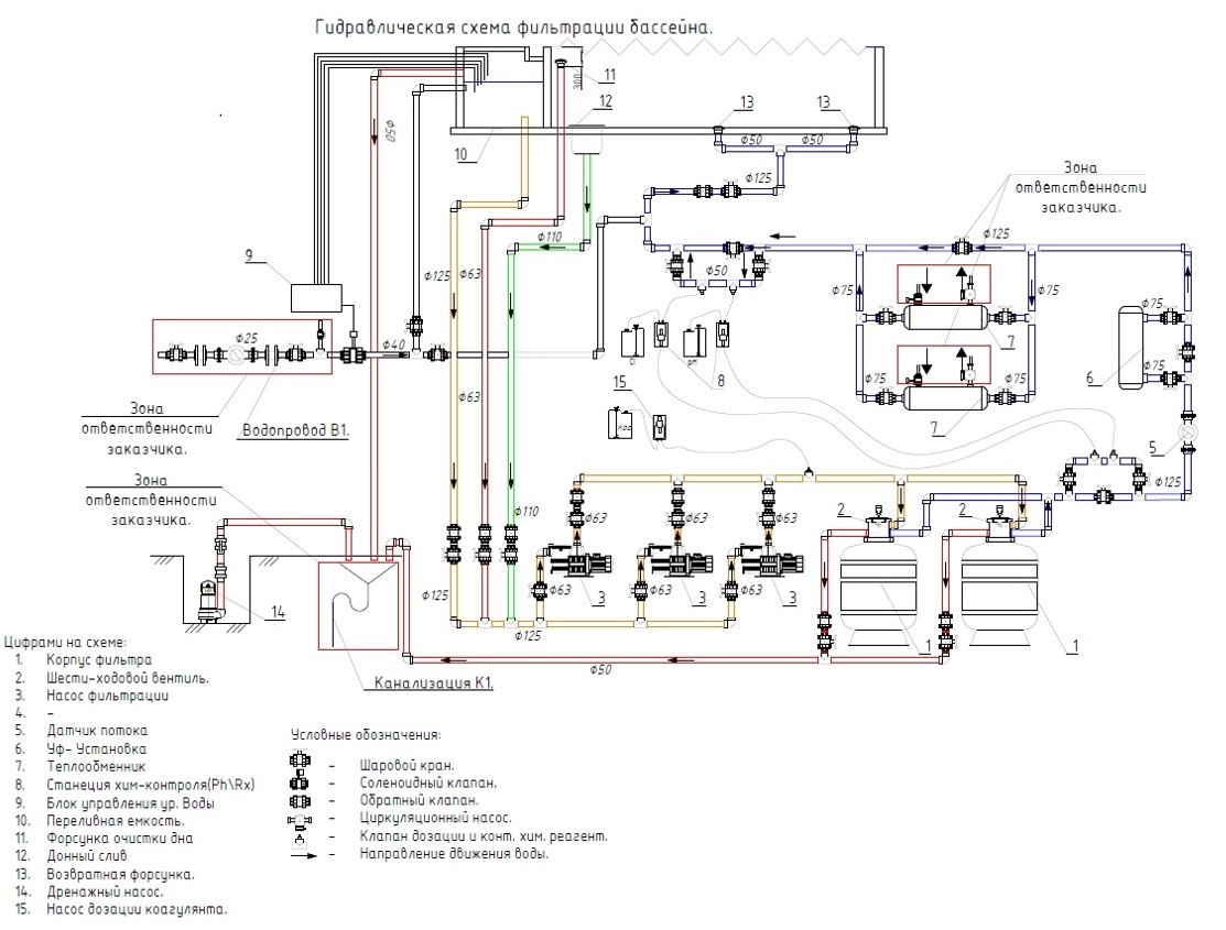
Даже красивый бассейн быстро становится проблемным, если не учтены сервисные проходы, обвязка и гидравлическая логика.

Читать статью
Как организовать обслуживание бассейна без постоянного ручного контроля

5 минут

Как организовать обслуживание бассейна без постоянного ручного контроля

Нормальный сервис начинается с проекта и правильной фильтрации, а не с бесконечных банок химии возле чаши.

Читать статью

FAQ

Частые вопросы до старта проекта

Да. Для стартового бюджета достаточно размеров, сценария использования и пожеланий по облицовке и инженерии.

Да, но чаще выгоднее собирать объект целиком. Так меньше конфликтов между бетонщиками, отделкой и инженеркой.

Да. В проекте учитываем подъезд техники, перепады высот, ограничения по шуму и размещение оборудования.

Связаться без обязательств

Нужен расчёт, план или реконструкция?

Оставьте контакт и вводные по объекту. После согласования концепции подготовим расчёт, схему работ и ориентир по срокам.